| 一般規格 |
|
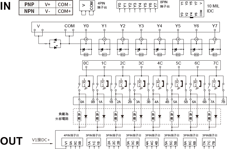
| 繼電器類別 |
功率繼電器 |
| 產品名稱 |
8 點 OMRON 繼電器模組 |
| 對應 PLC 品牌 |
通用款 |
| 適合用途 |
控制設備輸出用 |
| 極性 |
NPN / PNP 兼容 |
| 模組數 |
8 |
| 模組尺寸 |
L141.0 X W86.0 X H62.0 mm |
| 繼電器品牌 |
OMRON |
| 繼電器型號 |
G2R-1-E-DC24 |
| 接點類型和構成 |
1c (SPDT) |
| 接點極數 |
1極 (1 pole ) |
| 繼電器的機能 |
高容量型 |
| 繼電器保護構造 |
耐助焊劑型 |
| 端子台品牌 |
WAGO |
| 端子台型式 |
5.0mm 直插彈片式端子台 |
| 適用線徑 |
12~28 AWG |
| 連接器型式 |
10-PIN IDC / MIL 牛角連接器 |
| 接點保護應用型式 |
跨接元件、N 極性快速恢復二極體 (JLN) |
| LED 電源指示燈 |
有 (綠色) |
| LED 動作指示燈 |
有 (紅色) |
| 模組底座款式 |
鎖鋁軌 |
| 技術規格 |
|
| 性能 |
|
| 額定電壓(V) |
DC 24V |
| 額定電流 (mA) |
21.8 mA |
| 總電流 (mA) |
174.4 mA |
| 線圈電阻(Ω) |
1,100 Ω |
| 動作電壓 |
70% 以下 |
| 復位電壓 |
15% 以上 |
| 最大容許電壓 (V) |
170% (at 23℃) |
| 消耗功率 (VA、W) |
約 4.24 W |
| 電阻性負載 |
AC - 250V : 16A / DC - 30V : 16A |
| 電感性負載 |
AC - 250V : 8A / DC - 30V : 8A |
| 接點電壓最大值 |
AC – 380V / DC – 125V |
| 接點電流最大值 |
16A |
| 動作時間 |
15 ms 以下 |
| 復位時間 |
AC: 15 ms 以下 / DC : 5 ms 以下 |
| 機械性使用壽命 |
AC 線圈 : 1,000 萬次以上 (開關頻率 : 18,000 次 / 小時) DC 線圈 : 2,000 萬次以上 (開關頻率 : 18,000 次 / 小時) |
| 電氣性使用壽命 |
10 萬次以上 (額定負載、開關頻率 1,800次 / 小時) |
| 絕緣電阻 * 4 |
1,000 MΩ 以上 |
| 耐電壓 (線圈與接點間) |
AC 5,000V 50 / 60 Hz 1 分鐘 |
| 耐電壓 (同極接點間) |
AC 1,000V 50 / 60 Hz 1 分鐘 |
| 耐電壓 (異極接點間) |
AC 3,000V 50 / 60 Hz 1 分鐘 |
| 振動 (耐久性) |
10~55~10Hz 單振幅 0.75mm (雙振幅 1.5mm) |
| 振動 (誤動作) |
10~55~10Hz 單振幅 0.75mm (雙振幅 1.5mm) |
| 衝擊 (耐久性) |
1,000m/s 2 |
| 衝擊 (誤動作) |
NO 接點 : 200m/s2 NC 接點 : 100m/s2 |
| 材質資料 |
|
| 接點材質 |
Ag合金 (無 Cd 材料) |
| 重量 (g) |
約 317.5g |
| 商業資料 |
|
| 海關稅則號碼 |
8536.41.00.00-8 |
| 產地 |
台灣 Taiwan (R.O.C) |
| 環境條件 |
|
| 使用環境溫度 |
-25~+70℃ (無結冰、無凝露) |
| 使用環境濕度 |
5~85% RH |
| 安裝方式 |
|
| 繼電器 |
插拔式 |
| 模組 |
DIN-35mm 標準導軌式安裝 |
| 配件 |
附繼電器固定鈎 |
| 認證 |
|
| 國際認證 |
CE、FCC、RoHS、UL/CSA、PMC、TÜVNORD |